Metallmaterjal, topeltkuullaager ja vasktraat, parim kvaliteet!
Vahelduvvooluventilaatori eeliste hulka kuuluvad peamiselt kõrge efektiivsus ja energiasääst, madal müratase, pikk kasutusiga, ohutus ja töökindlus.
1. Kõrge efektiivsus ja energiasääst:vahelduvvooluventilaator kasutab elektroonilist vahelduvvoolumootorit, mis suudab koormusega rohkem kohaneda kui traditsiooniline vahelduvvoolumootor, nii et süsteem töötab tõhusas olekus;
2. Pikk eluiga:Elektrooniliste vahelduvvoolumootoritega vahelduvvooluventilaatoritel on pikem kasutusiga kui traditsioonilistel ventilaatoritel;
3. Ohutu ja usaldusväärne:stabiilse ja usaldusväärse tööseisundi tagamiseks.
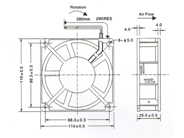
Lehviku joonistamine

PQ kõver

Fännide andmeleht
|
Mudel |
Laagri tüüp |
Nimipinge |
Sagedus |
Nimivool |
Võimsus |
Nimikiirus |
Õhuvool |
Õhurõhk |
Müra tase |
Kaal |
|
|
Pall |
Varrukas |
VAC |
Hz |
A |
W |
RPM |
CFM |
mmH2O |
Dba |
g |
|
|
BW11025MSL110/125A |
√ |
110-125 |
50/60 |
0.20/0.18 |
18/16 |
2000/2500 |
46/50 |
3.0/4.6 |
36/38 |
270.00 |
|
|
BW11025MBL110/125A |
√ |
0.20/0.18 |
18/16 |
2100/2600 |
46/50 |
3.0/4.8 |
36/38 |
||||
|
BW11025MSL200/240A |
√ |
200-240 |
50/60 |
0.10/0.09 |
18/16 |
2000/2500 |
46/50 |
3.0/4.6 |
36/38 |
||
|
BW11025MBL200/240A |
√ |
0.10/0.09 |
18/16 |
2100/2600 |
46/50 |
3.0/4.8 |
36/38 |
||||
Meie automaatne tootmisliin
Automaatse tootmisliini eelised kajastuvad peamiselt tootmise efektiivsuse parandamises, tootmiskulude vähendamises, tootekvaliteedi parandamises, töötajate ohutuse suurendamises, tarnetsükli lühendamises, investeeringutasuvuse saavutamises ja turu konkurentsivõime parandamises.

Meie vananemise testimine

Meie ettevõte

Toodame kõrge temperatuurikindlusega vahelduvvoolu tsentrifugaalventilaatorit alates 2007. aastast, nüüd on meil oma tehas ja paljud toodavad seadmeid. Saame toota kõiki spetsifikatsioone kohandatud kujul, kui teil on OEM-i taotlus, võtke meiega ühendust!
Pakendi üksikasjad
40 tk karpi
Karbi suurus: 32 * 26,5 * 27 cm
Kokku umbes 12KG/CTN
Nugakaardi karpi pakkimine.

Saadetis
1. Näidislaev õhu- või ekspresstranspordiga;
2. Masstootmise laev õhu-, meritsi, sõltub meie kliendi soovist!

Kuum tags: kõrge temperatuurikindlusega vahelduvvoolu tsentrifugaalventilaator, Hiina kõrge temperatuuritaluvusega vahelduvvoolu tsentrifugaalventilaator tootjad
